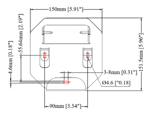
Настенный кронштейн cMT-XM-WMB
Артикул 6173014
Настенный кронштейн для портативных панелей оператора
Дополнительные товары
- Доступно к заказуАртикул 6169715Портативная панель оператора системы Cloud HMI, дисплей WVA LCD 10.1" (1024x600), 1 COM-порт, 1 Ethernet-порт, 1 USB-порт, длина соединительного кабеля 10 м.
- В наличииАртикул 6169713Портативная панель оператора системы Cloud HMI, дисплей WVA LCD 10.1" (1024x600), 1 COM-порт, 1 Ethernet-порт, 1 USB-порт, длина соединительного кабеля 6 м.



